Zum Hauptinhalt springen Zur Suche springen Zum Menü springen

15-BER-3 Ersatzteile für Baureihe BER Pumpe - TSURUMI Ersatzteile

 

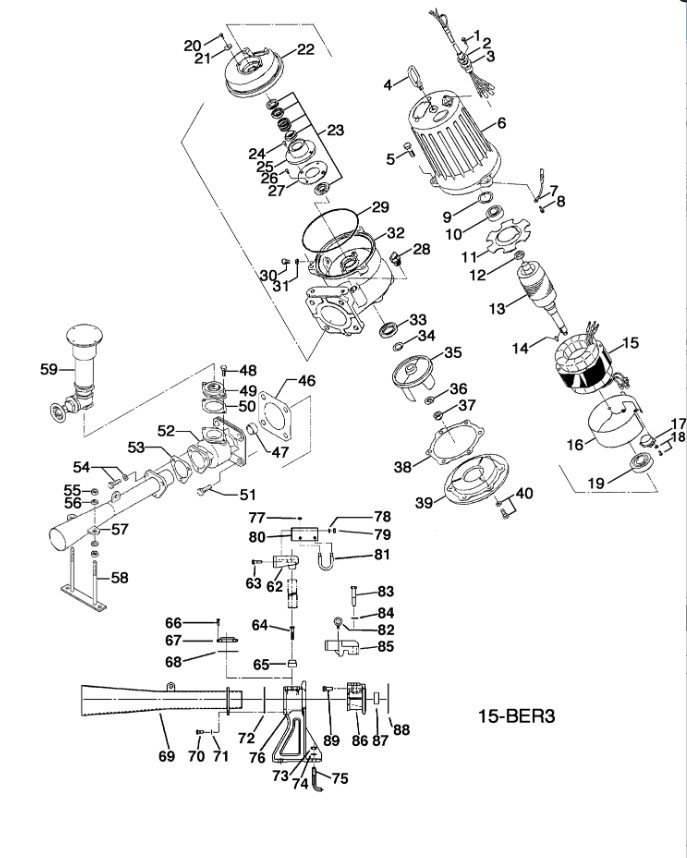
>>>EXPLOSIONSZEICHNUNG<<<

 

 

Preis wie konfiguriert
Versandkosten (TSU): 25.00
Ersatzteilliste für 15-BER-3 TSURUMI Ersatzteile
Bitte wählen Sie maximal 99.
Ihre Konfiguration
Artikel/Gruppe Preis

inkl. 19% USt. , zzgl. Versand